КаталогБатареи, трансформаторы, блоки питанияТрансформаторыТрансформаторы на платуТрансформаторы на плату без защиты от КЗFL 14/15

FL 14/15, PCB Transformer 14 VA 2 x 15VAC, BLOCK

Арт: 156-00-864
  • добавить в избранное
  • Арт: 156-00-864
  • Наименование: FL 14/15
  • Производитель: BLOCK
  • Доп.наименование: PCB Transformer 14 VA 2 x 15VAC
  • Склад:
    Изображение товара дано только в качестве иллюстрации. См. спецификацию продукта (pdf)
    Заказать Цены указаны без НДС

    PCB Transformer 14 VA 2 x 15VAC Семейство Низкопрофильные трансформаторы 2...52 W Технические параметры
    • Manufacturer: BLOCK
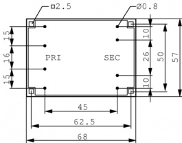
    • Длина: 57 мм
    • Масса: 315 g
    • Высота: 24.4 мм
    • Ширина: 68 мм
    • Мощность: 14 VA
    • Ш х В х Г: 57 x 68 x 24.4 mm
    • Выходной ток: 2x466 mA
    • Вторичный контур: 2...52 VA, 2 x 5...18 VAC
    • Первичный контур: 2 x 115 В перем. тока или серия 1 x 230 В перем. тока, 50...60 Гц
    • Испытательное напряжение: 5000 VAC
    • Напряжение вторичного контура: 15 VAC(2x)
    • Температура окружающей среды: max.40 °C