КаталогБатареи, трансформаторы, блоки питанияТрансформаторыТрансформаторы на платуТрансформаторы на плату без защиты от КЗFL 42/9

FL 42/9, PCB Transformer 42 VA 2 x 9VAC, BLOCK

Арт: 156-00-882
  • добавить в избранное
  • Арт: 156-00-882
  • Наименование: FL 42/9
  • Производитель: BLOCK
  • Доп.наименование: PCB Transformer 42 VA 2 x 9VAC
  • Склад:
    Изображение товара дано только в качестве иллюстрации. См. спецификацию продукта (pdf)
    Заказать Цены указаны без НДС

    PCB Transformer 42 VA 2 x 9VAC Семейство Низкопрофильные трансформаторы 2...52 W Технические параметры
    • Manufacturer: BLOCK
    • Масса: 715 g
    • Высота: 39.0 мм
    • Мощность: 42 VA
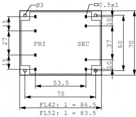
    • Ш х В х Г: 70 x 86.5 x 39.0 mm
    • Выходной ток: 2x2333 mA
    • Вторичный контур: 2...52 VA, 2 x 5...18 VAC
    • Первичный контур: 2 x 115 В перем. тока или серия 1 x 230 В перем. тока, 50...60 Гц
    • Испытательное напряжение: 5000 VAC
    • Напряжение вторичного контура: 9 VAC(2x)
    • Температура окружающей среды: max.40 °C